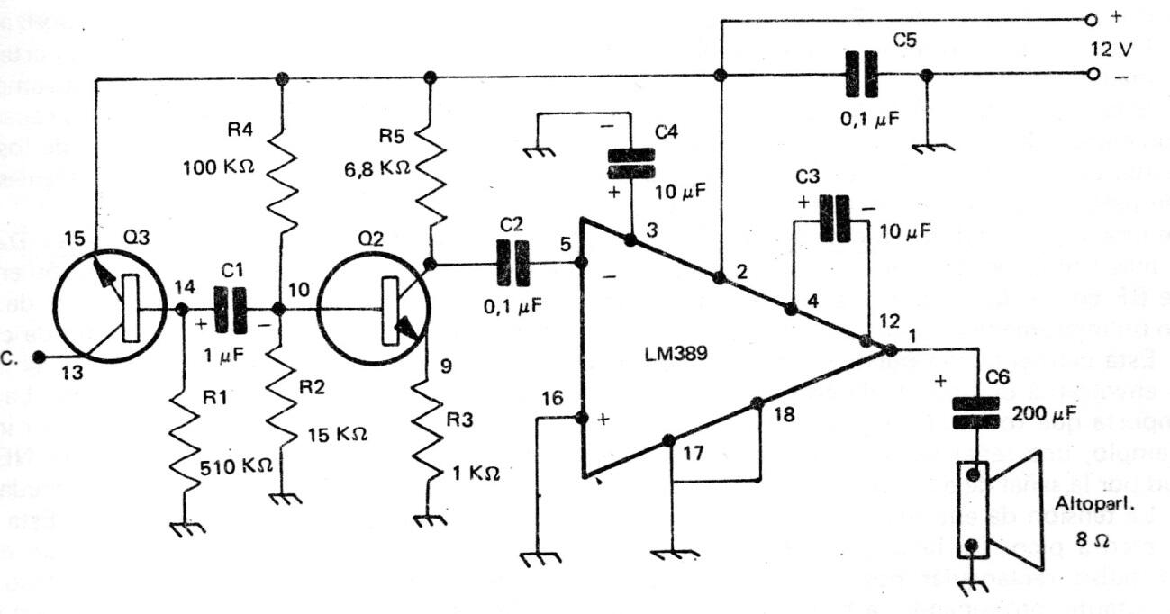
El circuito integrado utilizado en este proyecto es inusual e incluye transistores internos que pueden utilizarse de forma discreta, como en este caso. El circuito es de una documentación de los años 70, pero se puede implementar con componentes modernos y cambios menores.




