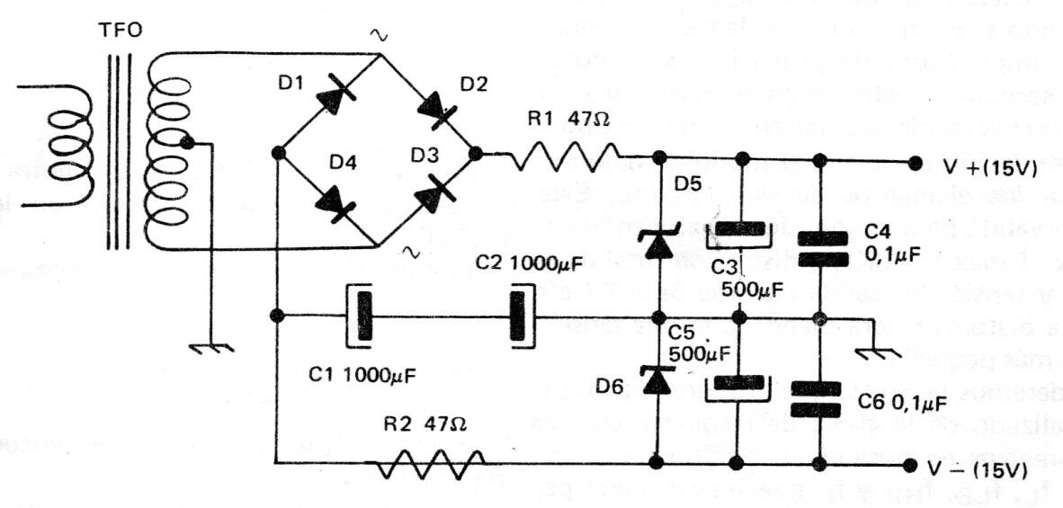
Esta fuente de alimentación es para alimentar circuitos con amplificadores operacionales y fue diseñada originalmente para el circuito anterior (CIR11807S) que es un control de tono. El transformador tiene un secundario de 15 V con una corriente de 150 a 300 mA y los diodos zener son de 15 V o cualquier otra tensión de salida inferior deseada.




