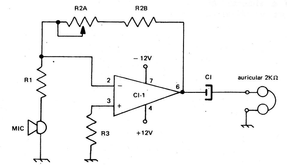
El operacional de este amplificador puede ser el 741 y los resistores R1 y R3 son de 10 k. R2B también tiene 10k y el potenciómetro 1 M. El capacitor es de 100 uF y la fuente de alimentación debe ser simétrica de 6 a 12 V. El circuito es de un manual de los 70.




