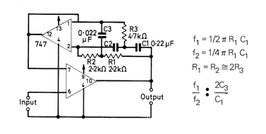
Esta es la configuración de un filtro de paso de banda o band pass convencional con un amplificador operacional. La tensión de alimentación puede estar entre 6 y 12 V y con un funcionamiento más moderno puede ser menor. Las fórmulas para los cálculos de componentes se dan al lado del diagrama.

Filtro de paso de banda con 741



