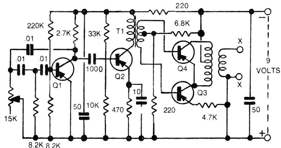
Este circuito se encontró en una documentación de la década de 1970. Es un oscilador con un paso de amplificador de audio push-pull para un control remoto inductivo. Los transistores son tipos de potencia de la época, pero se pueden utilizar tipos modernos que funcionan a una frecuencia superior al rango de audio.




