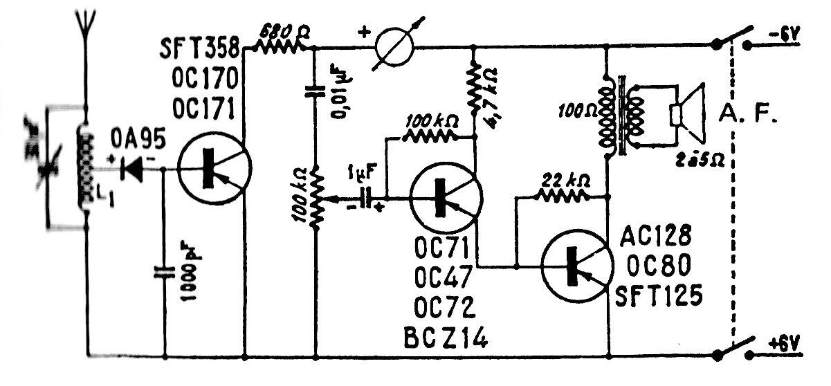
Este circuito es de una documentación de los años 70. Los transistores son tipos de germanio de la época y la bobina consta de 15 vueltas de 28 cables de 5 mm sin núcleo. Se pueden probar los transistores equivalentes. La toma está en el centro del devanado de la bobina.




