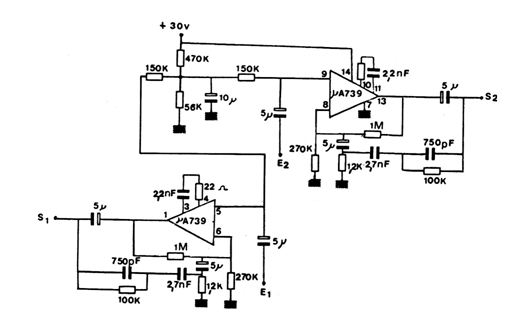
Este circuito es de una publicación de los 80, usando componentes de la época. Los circuitos integrados son poco comunes hoy en día, pero la configuración se puede adaptar para usar operacionales modernos. El circuito debe ser alimentado por una tensión relativamente alta obtenida del amplificador con el que opera.

Preamplificador estéreo RIAA



