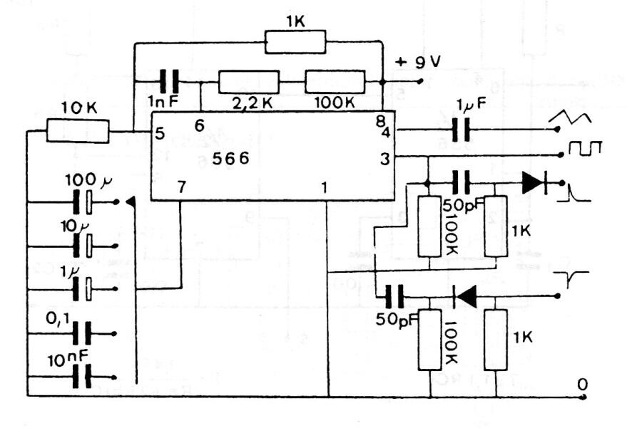
Este circuito que encontramos en una publicación europea de los años 80 está basado en PLL 566. Las frecuencias generadas están determinadas por los capacitores seleccionados y las formas de señal están determinadas por los circuitos de salida correspondientes. El circuito opera con alimentación de 9V.




