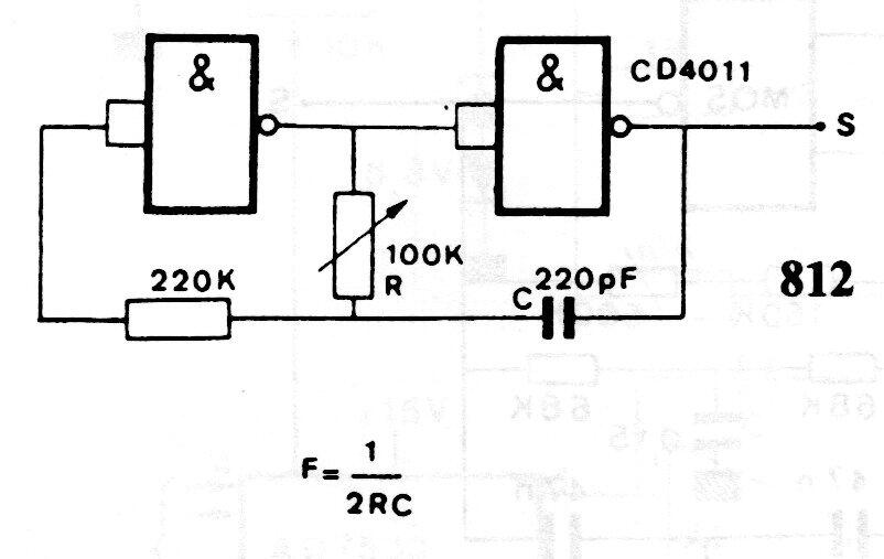
Esta es la configuración normal del oscilador astable o CMOS con puerta NAND. Esta configuración se puede encontrar en muchos artículos en esta sección y sitio web. El pinout 4011 se puede encontrar en el sitio web y también se puede usar el 4001. La frecuencia máxima es de unos megahertz.




