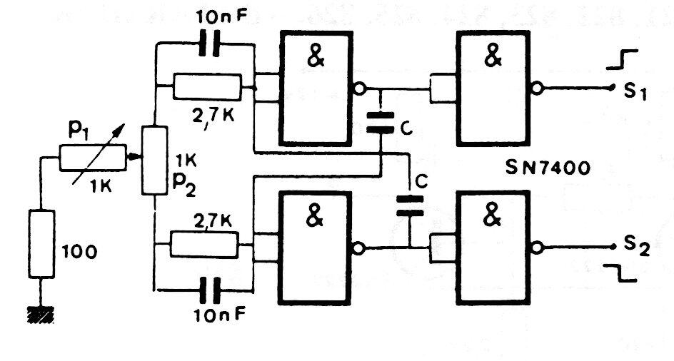
Este astable NAND TTL proporciona señales complementarias. El circuito debe ser alimentado con 5 V y utiliza las cuatro puertas NAND 7400. La frecuencia depende de los capacitores y la señal se ajusta en el potenciómetro P1.

 

Astable NAND TTL
Astable NAND TTL | Haga click en la imagen para ampliar |