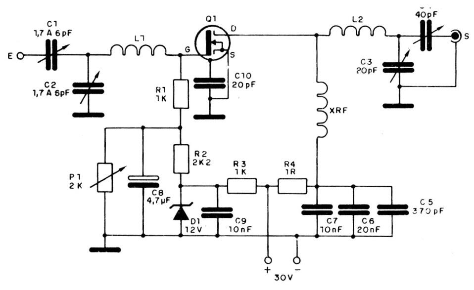
Este circuito amplifica las señales de VHF del rango de dos metros y es bastante crítico, especialmente con respecto a las bobinas. El circuito es de una documentación de 1989 y el MOSFET es del tipo de doble puerta que hoy en día no es muy fácil de obtener.




