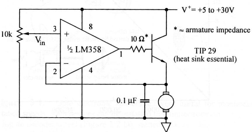
Este pequeño control para motores de CC de hasta aproximadamente 1 A utiliza un amplificador operacional que admite el equivalente. El transistor puede ser TIP29 para corrientes de hasta 1 A o BD135 para 500 mA. El transistor debe estar equipado con un disipador de calor.




