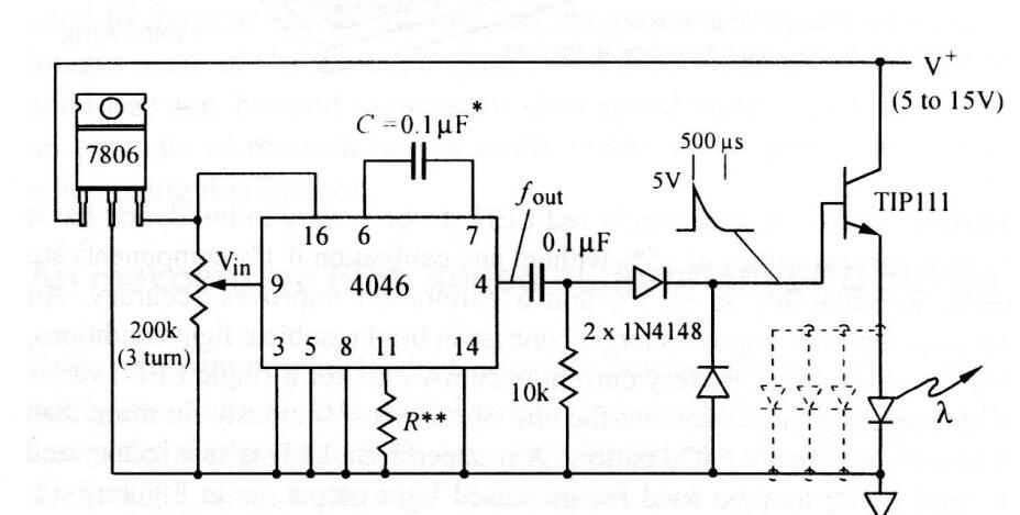
CMOS 4046 (PLL) no es muy común. En este circuito genera pulsos cortos para excitar un LED blanco de alto brillo. El circuito se utiliza en robótica y mecatrónica para medir la velocidad de motores u otras piezas giratorias. Se pueden conectar varios LED en paralelo para aumentar la potencia. El circuito es de una documentación estadounidense de 1997.




