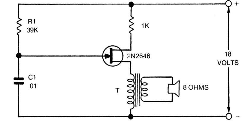
Esta es una versión tradicional de un oscilador de transistor unijuntura que utiliza un transformador de salida. El circuito es de una documentación estadounidense de los años 70. La frecuencia se puede modificar cambiando R1. La tensión de alimentación puede estar entre 6 y 15 V.




