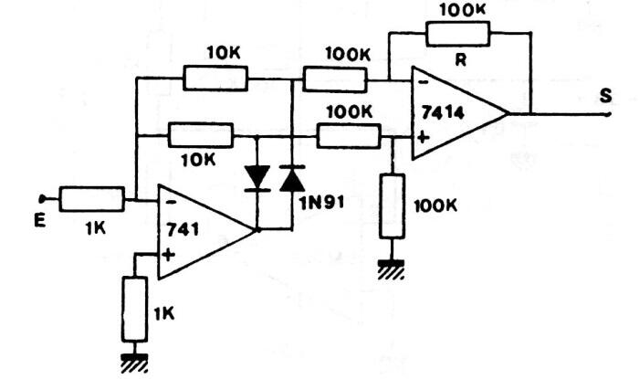
Este rectificador de onda completa de precisión utilizado en instrumentación se encontró en una documentación técnica de la década de 1980. El operacional admite equivalentes y debe ser alimentado por una fuente simétrica, según corresponda. Los diodos son de uso general.




