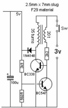
Este circuito se encontró en una documentación reciente en inglés que consiste en un pequeño inversor capaz de elevar la tensión de entrada de 3 V a 5 V. El componente crítico es el pequeño transformador casero.

Fuente de alimentación de 5 V de 3 V
Este circuito se encontró en una documentación reciente en inglés que consiste en un pequeño inversor capaz de elevar la tensión de entrada de 3 V a 5 V. El componente crítico es el pequeño transformador casero.
