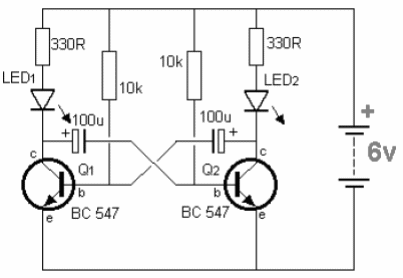
Esta es una configuración tradicional de multivibrador astable que activa dos LED. El lector puede encontrar este circuito en varios puntos del sitio. La frecuencia viene dada por los capacitores que se pueden cambiar. La alimentación también se puede cambiar.

Parpadeante alternativo



