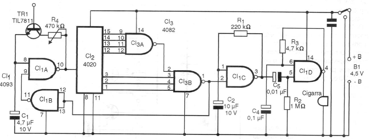
Encontré este circuito en una publicación de 1998, pero como todos los componentes son comunes, hoy se puede ensamblar fácilmente. El circuito está alimentado por 3 baterías y proporciona una indicación audible al final del tiempo programado. El tiempo se programa tocando un 4020. El zumbador puede ser un pequeño zumbador de oscilador.




