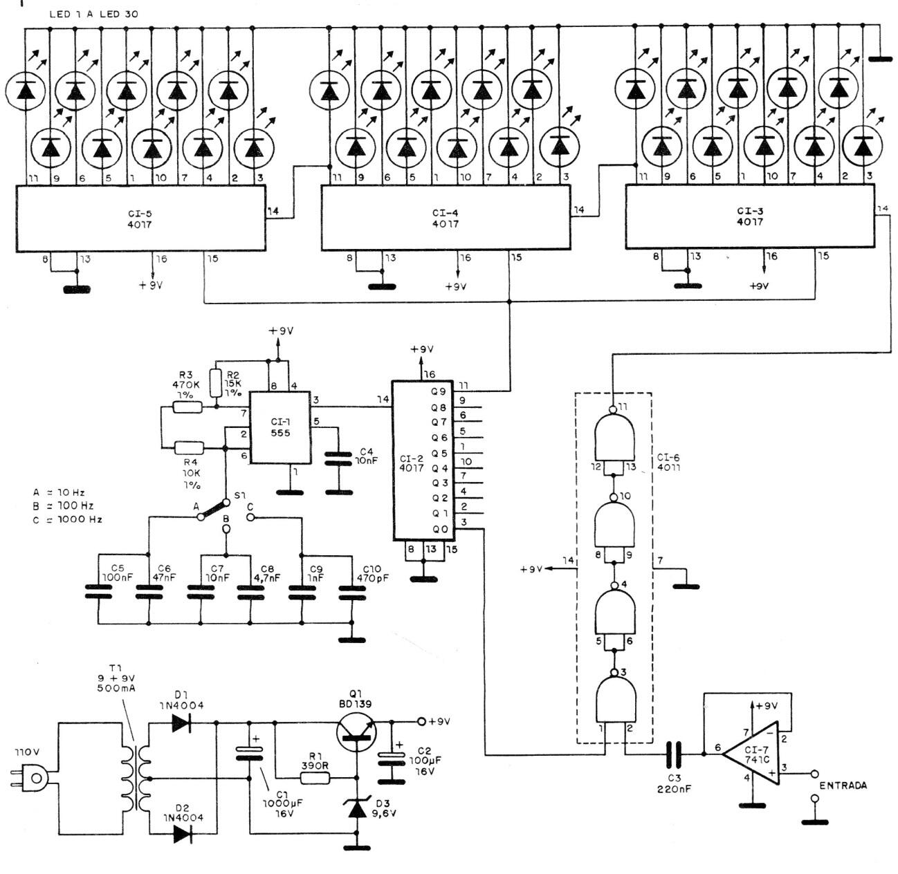
Este circuito es de documentación de 1988. Utiliza una escala de 30 LED alimentados por circuitos integrados 4017. El circuito es para frecuencias de audio de 10 Hz a 1 kHz seleccionadas por los interruptores al lado de un banco de capacitores. La precisión del circuito depende de los componentes de este sector, incluidos los resistores de tiempo junto al 555. El circuito está alimentado por una sola fuente de 9V.




