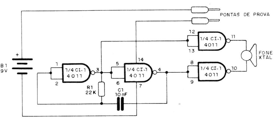
Este circuito encontrado en una documentación de 1988 utiliza una cápsula piezoeléctrica o de cristal como transductor. La fuente de alimentación se puede hacer realmente con tensiones de 3 a 9 V y la frecuencia del tono producido depende del capacitor. Este componente puede ser cambiado.




