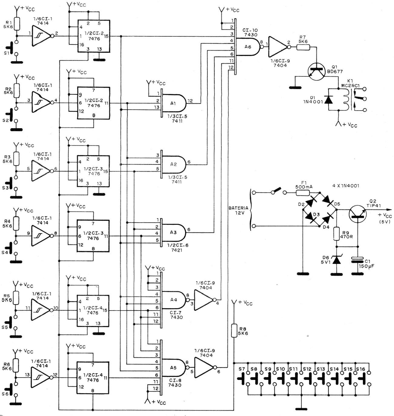
Esta cerradura electrónica para automóvil se encontró en una revista de 1988. Utiliza una llave de código que debe activarse para desbloquear el encendido. El circuito de bloqueo consta de un relé. El circuito puede usarse para otros fines. Si se activan los interruptores incorrectos, el circuito se restablece. El circuito puede ser alimentado con 6 o 12 V dependiendo del relé utilizado.




