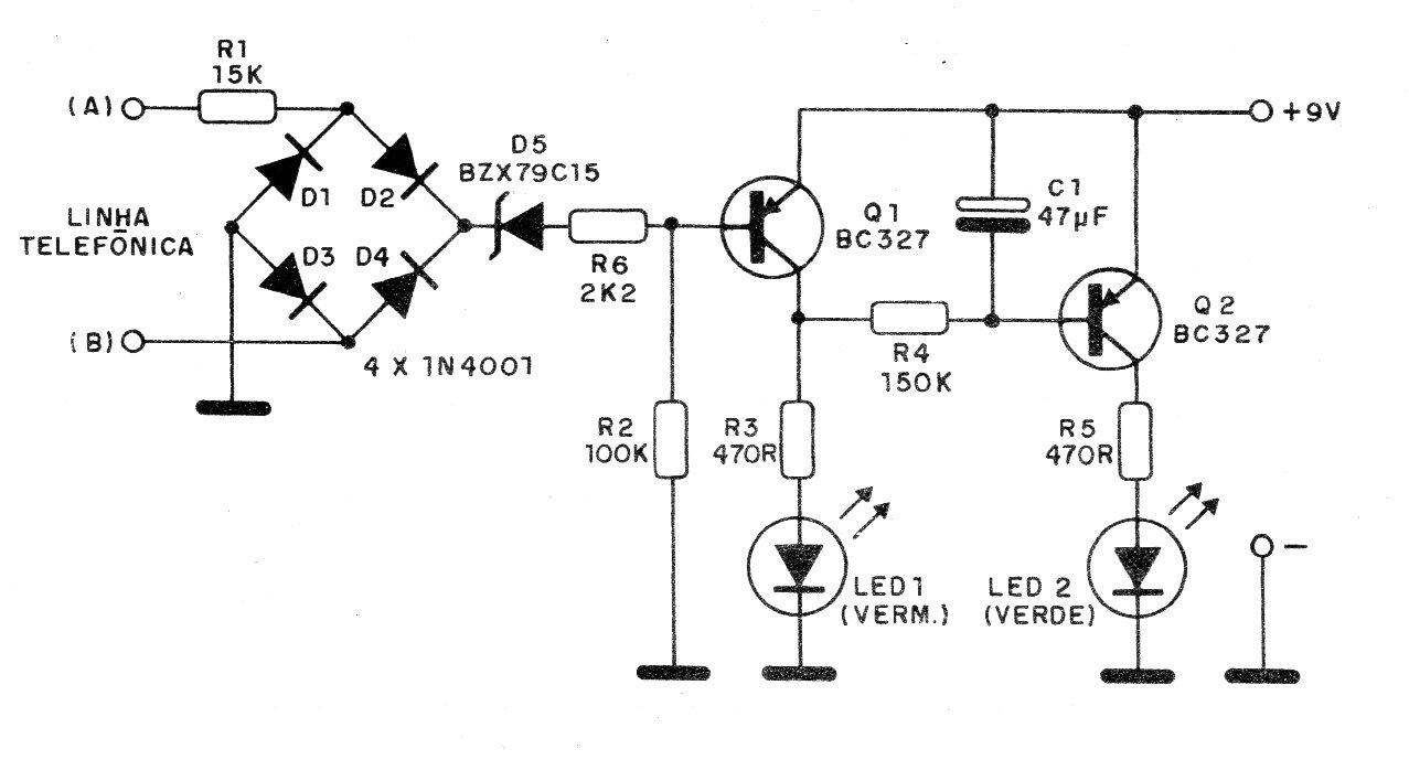
El circuito presentado monitorea una línea que indica si está ocupado si existe una extensión. El circuito está alimentado por baterías de 9 V y la indicación se realiza mediante LED. El circuito está conectado a la línea telefónica analógica. Los componentes utilizados son todos comunes.




