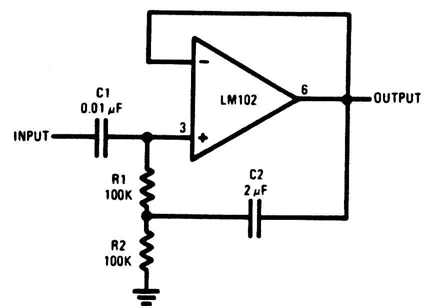
Este circuito consta de un seguidor de emisor, con una ganancia de tensión unitaria implementada con un operativo desde la década de 1970. El circuito puede implementarse con sistemas operacionales modernos. La fuente de alimentación debe ser simétrica.




