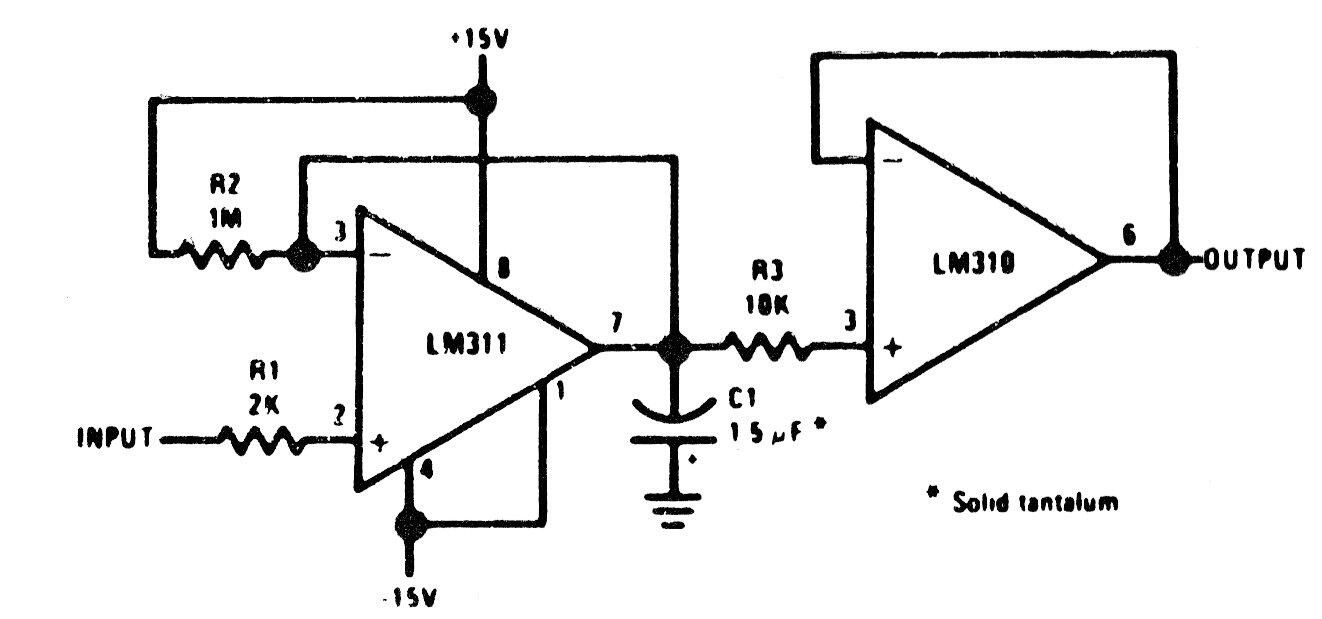
Encontramos este circuito en una documentación sobre amplificadores operacionales de la década de 1970. La configuración es verdadera para los amplificadores operacionales modernos, cambiando los valores de los componentes. La fuente de alimentación debe ser simétrica.




