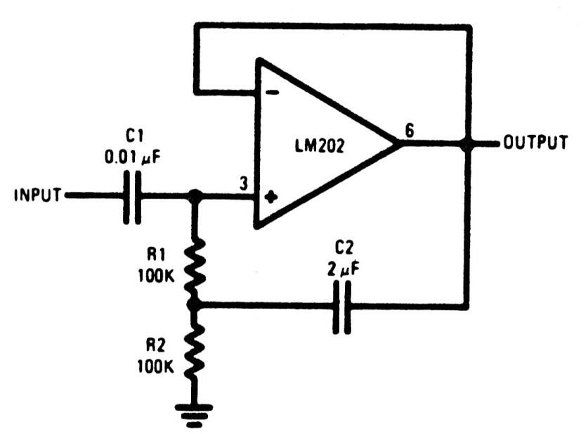
Este amplificador de tensión con amplificador operacional se encontró en una documentación antigua. Sin embargo, se puede implementar con equivalentes modernos. El circuito debe ser alimentado por una fuente simétrica.
Este amplificador de tensión con amplificador operacional se encontró en una documentación antigua. Sin embargo, se puede implementar con equivalentes modernos. El circuito debe ser alimentado por una fuente simétrica.