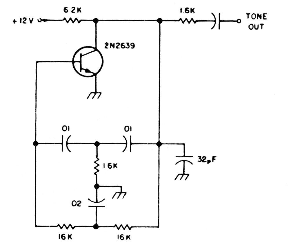
Este oscilador genera un tono sinusoidal de 1750 Hz determinado por la doble T. El circuito se puede cambiar para generar señales de otras frecuencias. El transistor puede ser de cualquier tipo de uso general.

 

Oscilador de tono doble T
Oscilador de tono doble T | Haga click en la imagen para ampliar |