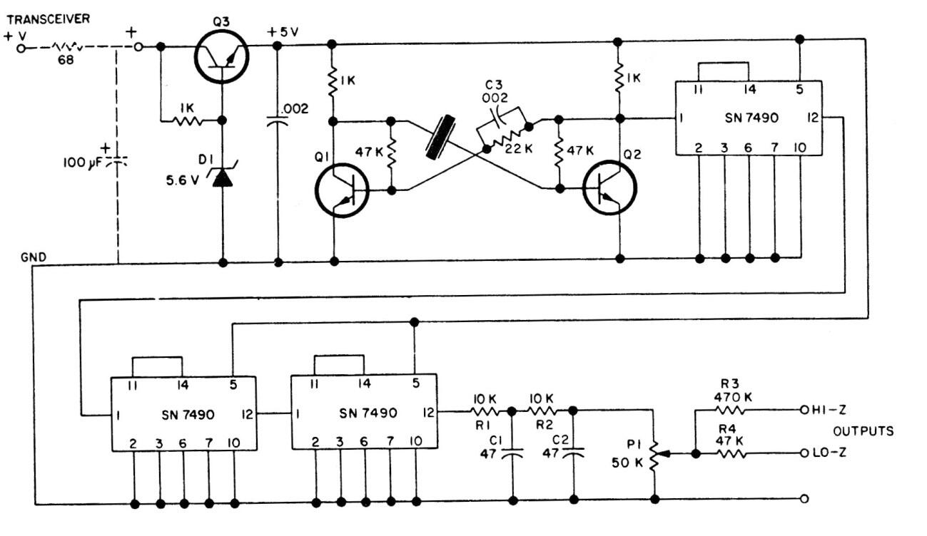
Este circuito fue encontrado en una vieja documentación estadounidense dirigida a aficionados. El circuito genera señales de tono de muy baja frecuencia controladas por un cristal y un sistema de división TTL. El circuito debe ser alimentado con 5 V siendo la fuente ya incluida.




