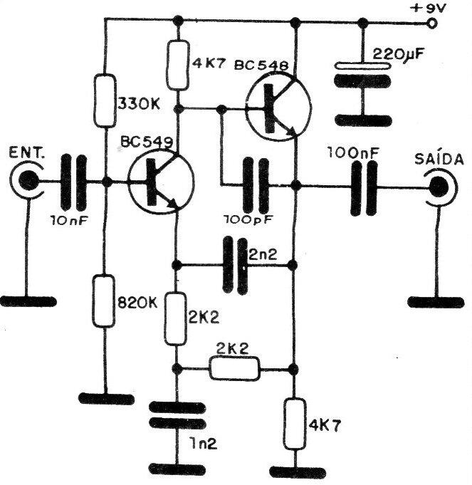
Este circuito de sostenido o sustain de guitarra utiliza solo dos transistores y puede ser alimentado por una batería de 9 V. El consumo es muy bajo y se adapta a las pastillas de alta impedancia. Los cables de entrada y salida de señal deben estar blindados.




