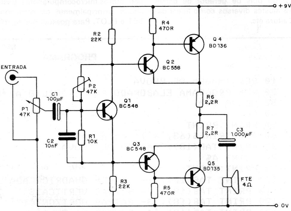
Esta es una configuración de amplificador de transistor tradicional con transistores complementarios que pueden alimentarse con 9 V y una corriente de al menos 200 mA. Los transistores de salida deben estar provistos de pequeños disipadores de calor. La calidad del sonido es muy buena.




