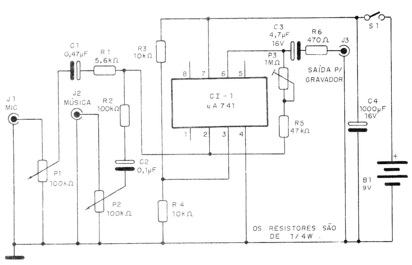
Encontramos este mezclador básico con el circuito integrado 741 en una publicación de 1992. La alimentación se realiza con batería porque el consumo es bajo y los cables de señal deben estar protegidos para que no haya zumbidos. El circuito integrado es el 741, pero la versión dual se puede usar para una versión estéreo.




