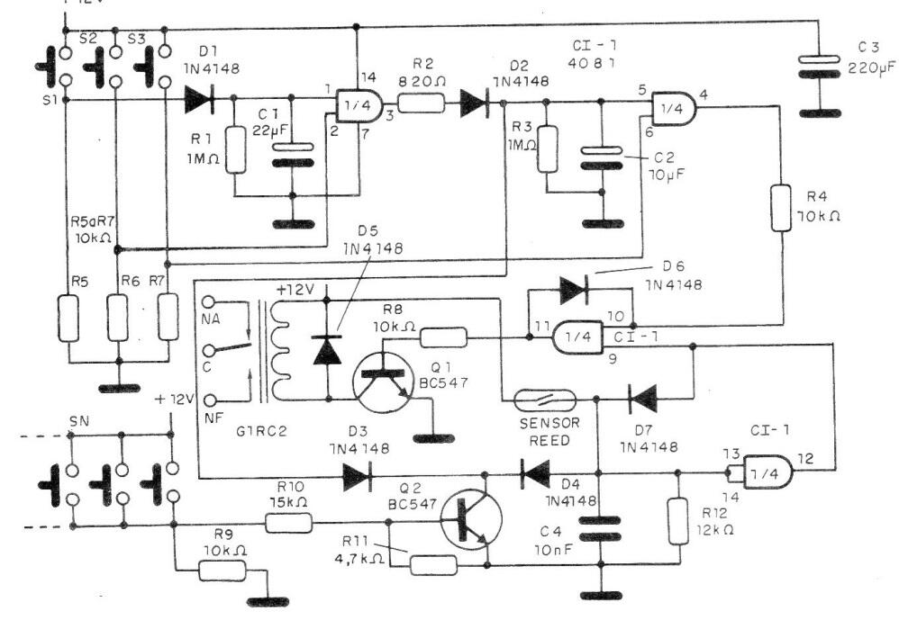
Encontramos este interesante proyecto en una publicación de 1992. Por supuesto, solo se aplica a los automóviles de la era que aún utilizan platino pero que pueden modificarse para ser usados en automóviles modernos. Para activar la contraseña, las llaves deben ingresarse por un tiempo limitado y, si se produce un error, la alarma se activa al inhibir el circuito y el encendido al conectar los contactos a la bobina y la tierra con un capacitor de 22 uF.




