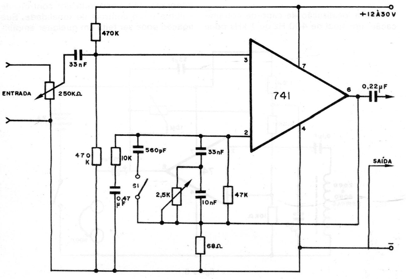
El circuito que se muestra utiliza el amplificador operacional 741, pero se pueden usar equivalentes de menor nivel de ruido y mayor ganancia. El consumo es bajo y la energía puede provenir de las baterías o retirarse del propio amplificador con el que funcionará. El circuito incorpora un control de tono.




