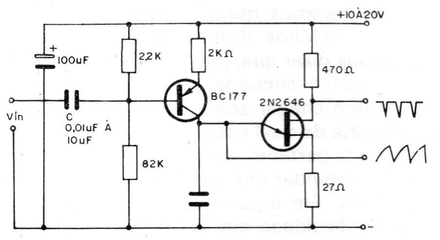
Este circuito se puede modular mediante una señal de muy baja frecuencia, por ejemplo, para obtener el efecto de vibrato. Los valores de los componentes determinan la profundidad del efecto y se pueden cambiar en un buen rango de valores. El circuito puede ser alimentado por tensiones de 10 a 20 V y el consumo es muy bajo.




