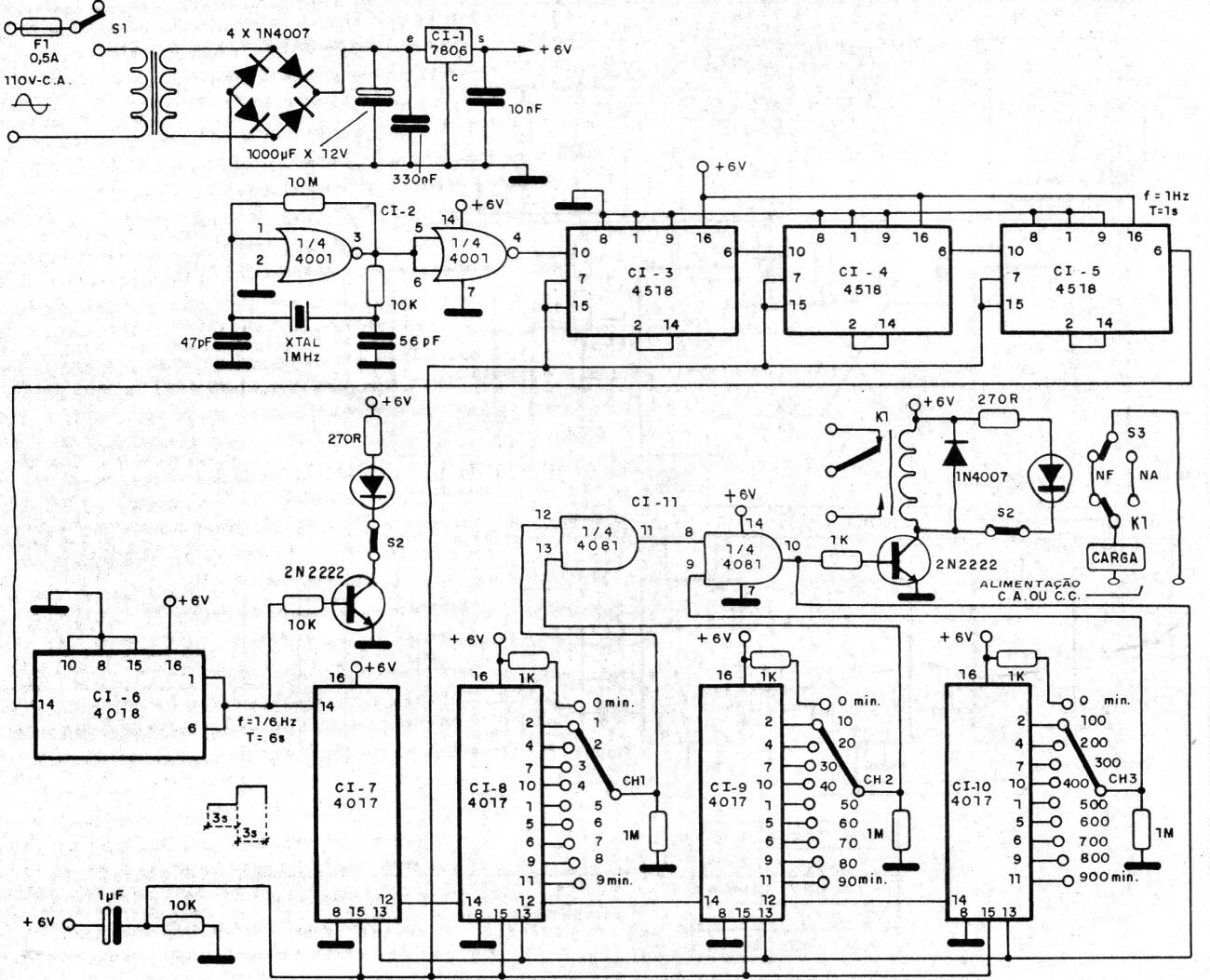
Encontramos este interesante temporizador de CMOS o un circuito de temporizador en una publicación de 1988. El circuito sigue vigente porque todos los componentes aún se pueden encontrar con facilidad. El circuito es bastante preciso porque la señal de referencia de 1 minuto se obtiene a partir de la frecuencia de la propia red eléctrica. La programación de 3 dígitos se realiza mediante teclas. La unidad final es un relé.




