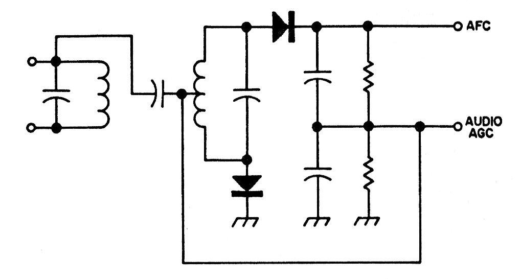
Esta es una configuración tradicional de detector o discriminador para señales de FM que recibe su nombre de sus desarrolladores Foster y Seeley. El circuito se encontró en la documentación de la década de 1980. Los diodos que se usan son comunes de germanio.




