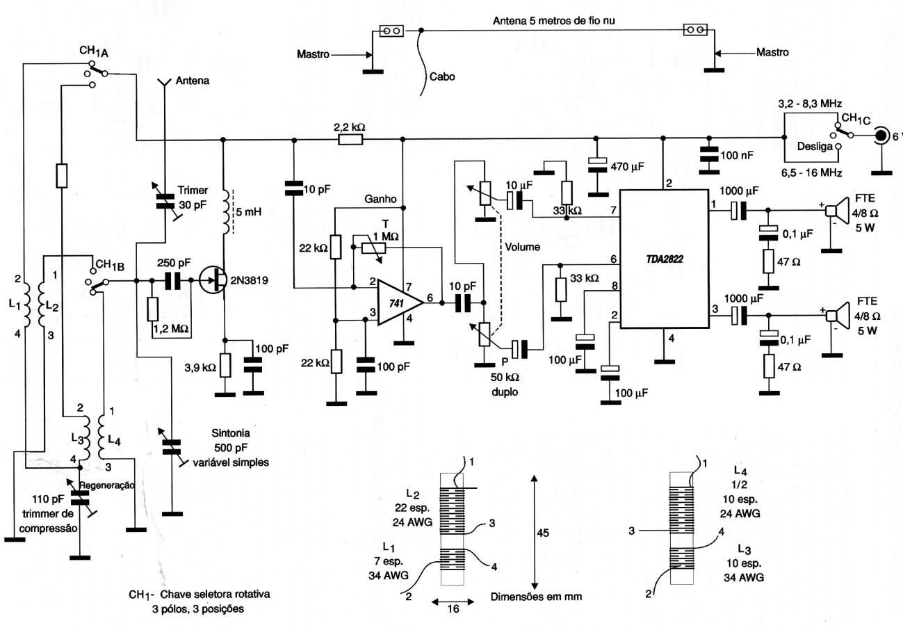
Este receptor recibe señales en el rango de 3.2 a 16 MHz, presentando una buena sensibilidad gracias al uso de una unión FET. Se pueden probar equivalentes como BF245. El circuito es de la documentación de 2008. Los datos de la bobina se proporcionan en el diagrama y la antena debe ser externa apropiada para la recepción de señales.




