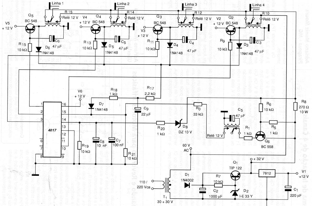
Aquí hay un circuito muy útil que se puede ampliar, incluido el uso de más circuitos integrados 4017. En el libro "Curso de Elecrtónica Digita " de Newton C. Braga, por ejemplo también en Cómo funciona 4017, el lector tendrá un El enfoque amplio de usar el 4017 en la división de frecuencia y pulso para hacer adaptaciones de tiempo en aplicaciones basadas en este proyecto. El circuito también sirve como referencia para proyectos que hacen uso del 4017 en control. El circuito es de una documentación de 2008.




