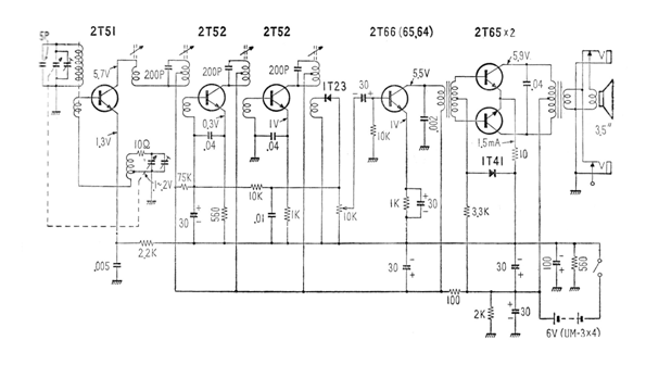
Esta radio de transistores de 6 transistores fue fabricada en Japón en la década de 1960. Es un superheterodino de onda media Victor portátil que funciona con 4 pilas.

Receptor comercial TS 600
Esta radio de transistores de 6 transistores fue fabricada en Japón en la década de 1960. Es un superheterodino de onda media Victor portátil que funciona con 4 pilas.
