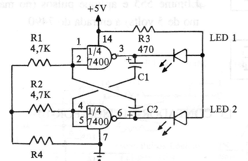
Este circuito, ampliamente explorado en nuestros proyectos y en este sitio, utiliza dos puertas NAND de un circuito integrado 7400 en una configuración astable. La alimentación se debe suministrar con 5 V y la frecuencia viene dada por los capacitores que se pueden cambiar.




