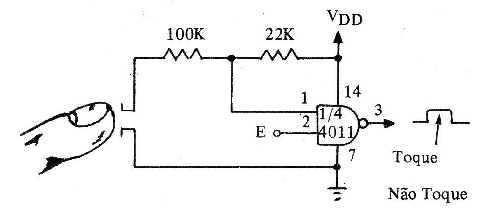
Este es el circuito básico de un interruptor de toque CMOS. Los resistores se pueden cambiar a la sensibilidad deseada y la tensión de alimentación puede estar entre 3 y 12 V. Nunca use una fuente de alimentación sin transformador para alimentar este circuito.




