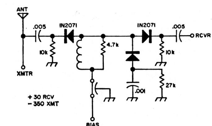
Este circuito está diseñado para cambiar antenas de alta frecuencia utilizando diodos comunes. El circuito es de una documentación de los 80 que aparece en otras versiones en esta misma sección del sitio.

 

Llave de antena con diodos
Llave de antena con diodos | Haga click en la imagen para ampliar |