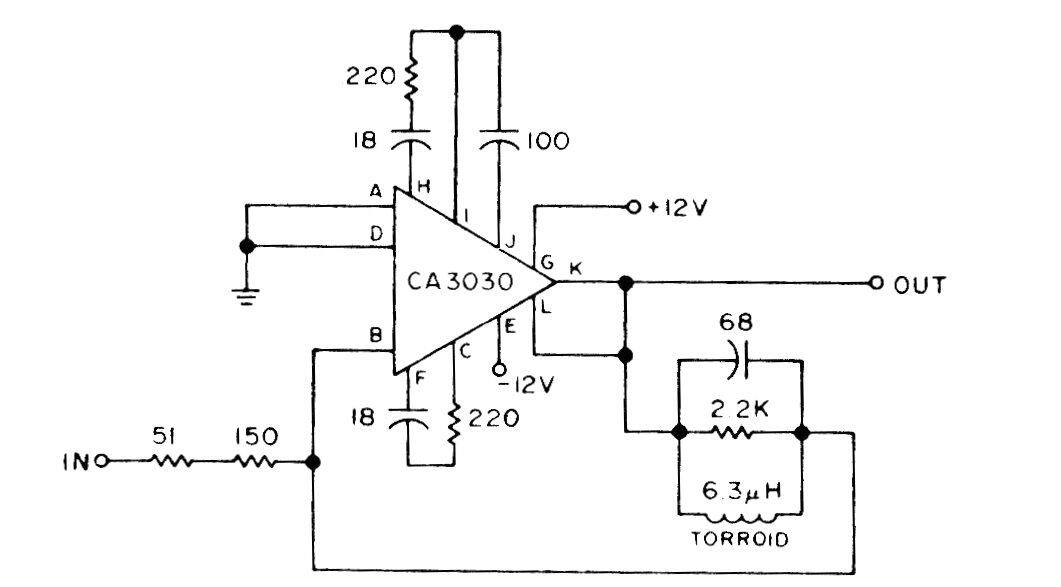
Encontrado en una documentación de la década de 1980, este amplificador utiliza un circuito integrado de la época. El circuito RLC determina la frecuencia y el ancho de la banda de paso. La fuente de alimentación debe ser simétrica.
Encontrado en una documentación de la década de 1980, este amplificador utiliza un circuito integrado de la época. El circuito RLC determina la frecuencia y el ancho de la banda de paso. La fuente de alimentación debe ser simétrica.