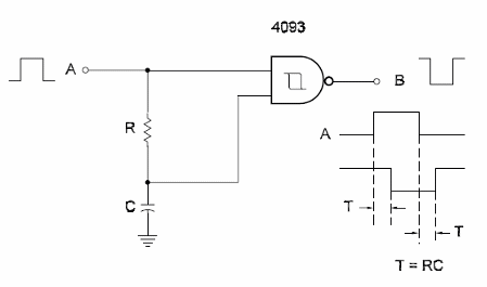
La salida de este circuito cambia de estado con un retardo en relación a la señal de entrada. Este retardo depende de R y de C. El circuito puede ser alimentado con tensiones de 5 a 15 V. Este circuito fue retirado del CMOS Sourcebook de Newton C. Braga, publicado en los Estados Unidos.

Llave 4093 con Retardo



