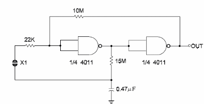
Este sensible interruptor de toque utiliza dos de las cuatro puertas NAND del 4011. También se puede utilizar el 4001. El circuito puede ser alimentado por tensiones de 5 a 15 V, pero nunca debe utilizarse fuente sin transformador. La salida debe alimentar una etapa de control. El circuito es del libro CMOS Sourcebook de Newton C. Braga, publicado en los Estados Unidos.




