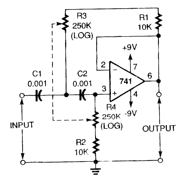
El circuito presentado fue obtenido en una revista Electronics Now de febrero de 1995. La revista ya no existe, pero el circuito puede ser implementado con facilidad. Se trata de un filtro deja pasar frecuencias superiores a 23,5 ajustable hasta 700 Hz. La fuente de alimentación debe ser simétrica.




