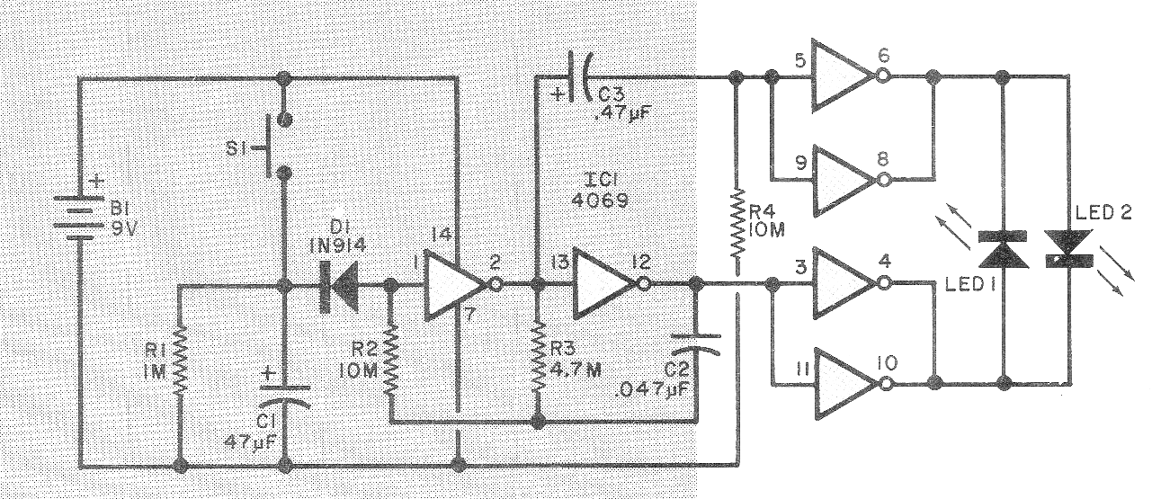
Este circuito, encontrado en una popular electrónica de 1978, hace que dos LED parpadeen alternativamente durante un tiempo, después de presionar y soltar S1. Podemos utilizar el circuito como indicador y su alimentación, en realidad también se puede hacer con una tensión de 6 V.




