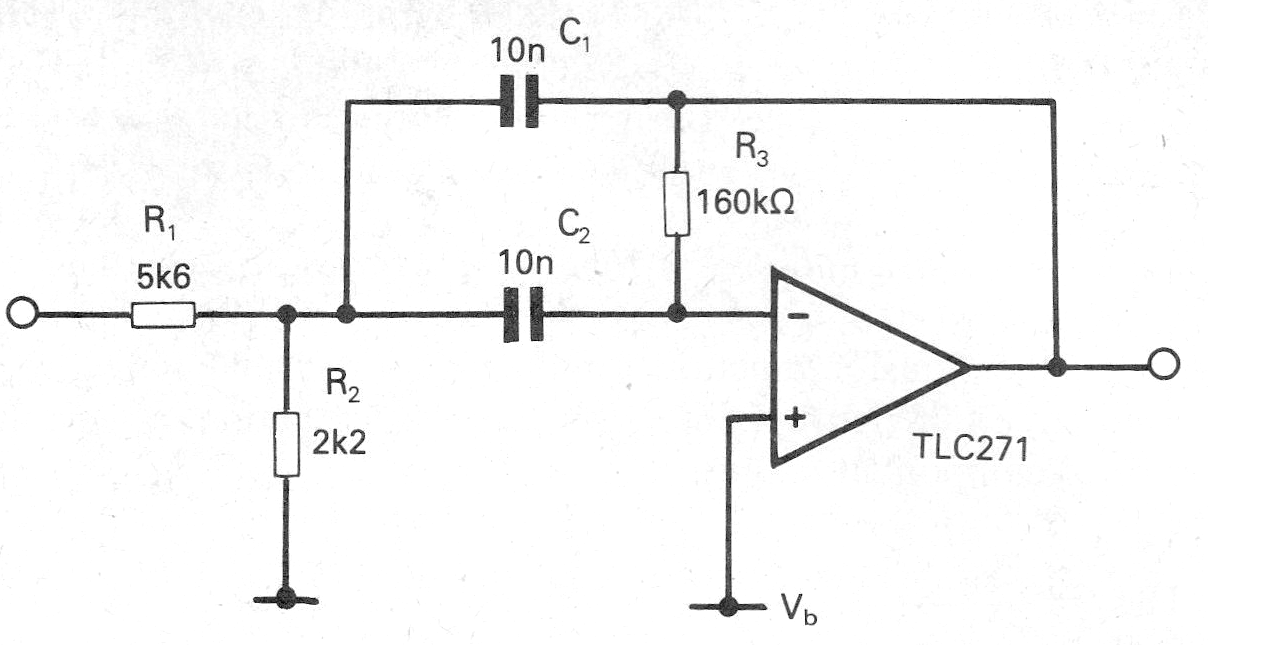
Este filtro tiene un factor de calidad (Q) igual a 5 y utiliza el circuito integrado TLC271 de Texas Instruments. El circuito es sugerido por el Linear Circuits de Aplicaciones. La fuente de alimentación debe ser simétrica. Los capacitores se pueden intercambiar para operar en otras frecuencias.




