Esta campana residencial imita el sonido de un pajarito. El transformador es del tipo encontrado en antiguas radios transistorizadas. El timbre incluye fuente para conectarse a la red de energía.

Campana Imitando Pajarito
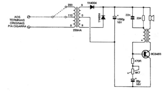
Esta campana residencial imita el sonido de un pajarito. El transformador es del tipo encontrado en antiguas radios transistorizadas. El timbre incluye fuente para conectarse a la red de energía.
