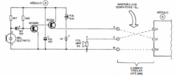
Este circuito muy simple, que funciona como un pequeño intercomunicador fue encontrado en una documentación de los años 80. Los transistores son comunes y el cable puede tener varios metros de longitud.

Teléfono de juguete
Este circuito muy simple, que funciona como un pequeño intercomunicador fue encontrado en una documentación de los años 80. Los transistores son comunes y el cable puede tener varios metros de longitud.
