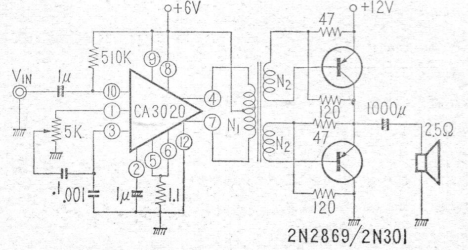
El circuito integrado CA3020 fue uno de los primeros tipos comerciales, vendido en la década de 60. El circuito presentado es de 1968 usando una etapa de potencia con transistores RCA de la época. Observe la existencia de dos tensiones en la alimentación.




